山東省天源環保科技有限公司
業 務 部電話:0536-635 0298
銷售一部電話:138 0647 0465
銷售二部電話:178 5236 1188
銷售三部電話:186 7803 5665
銷售四部電話:158 6362 6035
銷售五部電話:138 6966 9408
售后一部電話:186 7803 5665
售后二部電話:186 6365 8399
傳真:0536-611 8198
E-mail:sdtyhb2024@163.com
>>產品中心>>固液分離設備>>大型果蔬壓榨機
果蔬壓榨機
發布時間:2015/8/31 9:52:23 點擊量:

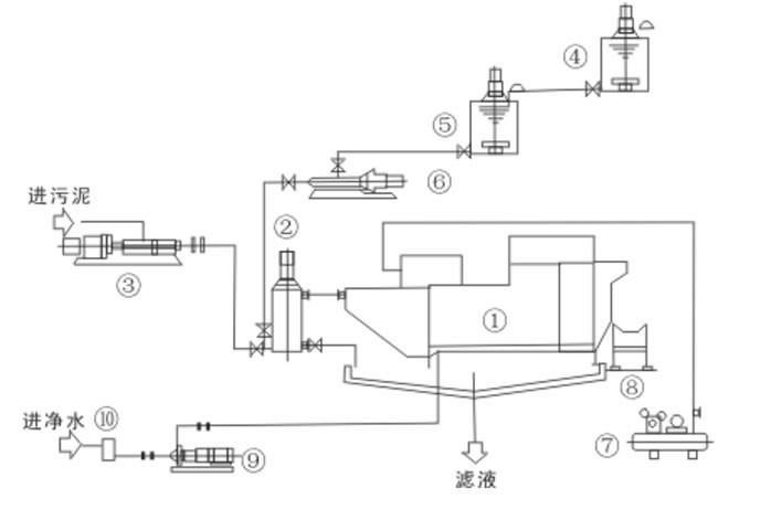
TYL系列濾帶式濃縮泥水分離機是消化吸收技術研制開發的一種脫水設備。具有處理能力大,脫水效率快,使用壽命長等特點,作為污水處理的配套設備,可將氣浮處理后的懸浮物及沉渣壓濾脫水,壓成泥餅,達到防治二次污染的目的;該機還可用于漿料濃縮、黑液的提取等工藝處理。

山東省天源環保科技有限公司
業 務 部 電話:0536-635 0298
銷售一部電話:138 0647 0465
銷售二部電話:178 5236 1188
銷售三部電話:186 7803 5665
銷售四部電話:158 6362 6035
銷售五部電話:138 6966 9408
售后一部電話:186 7803 5665
售后二部電話:186 6365 8399
傳真:0536-611 8198
E-mail:sdtyhb2024@163.com
網址:www.yyhs1997.com
業 務 部 電話:0536-635 0298
銷售一部電話:138 0647 0465
銷售二部電話:178 5236 1188
銷售三部電話:186 7803 5665
銷售四部電話:158 6362 6035
銷售五部電話:138 6966 9408
售后一部電話:186 7803 5665
售后二部電話:186 6365 8399
傳真:0536-611 8198
E-mail:sdtyhb2024@163.com
網址:www.yyhs1997.com
上一篇:沒有了!
下一篇:帶式壓濾機



